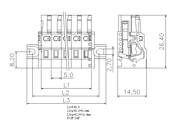
TCK5.0系列孔型連接器帶固定器
型號 | TCK5.0/001-XXP | ||
位間距 | 5.0mm | ||
位數 | 2-24P | ||
接線范圍 | AWG/mm2 | 24-14/0.2-2.5 | |
技術數據 | IEC | UL | |
額定電壓 | V | 250 | 300 |
額定電流 | A | 16 | 15 |
額定沖擊電壓 | KV | 4 | |
污染等級 | 3 | ||
絕緣材料 | PA66 | ||
阻燃等級 | V0 | ||
適用環(huán)境溫度 | –40℃~+105℃ | ||
可選顏色 | 5.0間距(白灰色) | ||
接觸材料 | 磷青銅鍍錫 | ||
彈片材料 | 不銹鋼 | ||
接線方式 | 彈簧卡接 | ||
適用導線 | 0.2-2.5 mm2各類別導線 | ||
剝線長度 | 8-9mm/ 0.33in | ||



TC01(5.0): 壓線工具,使用絕緣材料制成,1插腳,米白色

TC02(5.0): 壓線工具,使用絕緣材料制成,1插腳,米白色

TC03(5.0):跨接橋,使用絕緣材料金屬件制成,2插腳,灰色